KÖVESS MINKET:

Termékek
20A lakat kombinációs forgóbütyök kapcsoló 4kw
  • 20A lakat kombinációs forgóbütyök kapcsoló 4kw20A lakat kombinációs forgóbütyök kapcsoló 4kw

20A lakat kombinációs forgóbütyök kapcsoló 4kw

A több mint 30 éves iparági tapasztalattal a Yaming bemutatja a 20A-es, 4 kW-os lakat kombinációs forgóbütyök kapcsolót, amely egy biztonságos, stabil és testreszabható vezérlési megoldás 50 Hz-es váltakozó áramú áramkörökhöz. A megbízható kézi áramkör-kapcsolásra, motorvezérlésre és mérésre tervezett termék robusztus gyártási folyamatokat, szigorú minőség-ellenőrzést és zárható biztonsági funkciókat integrál a globális ipari elektromos igények kielégítésére. Kínában gyökerező professzionális gyártóként stabil termékteljesítményt és rugalmas testreszabási szolgáltatásokat kínálunk a különféle alkalmazási követelményeknek megfelelően.

A több mint 30 éves szakmai tapasztalattal rendelkező Zhejiang Yaming Electric az elektromos kapcsolók megbízható vezető gyártója. Erős műszaki képességeinket és szigorú minőségirányítási rendszerünket kihasználva egy modern, precíziós folyamatokkal és csúcstechnológiával felszerelt gyárat működtetünk, biztosítva, hogy minden termék megfeleljen a nemzetközi szabványoknak.


Büszkék vagyunk rá, hogy bemutathatjuk a Yaming 20A lakat kombinációs 4kW-os forgó vezérműkapcsolót, amely a HZ5 sorozat nagy teljesítményű alkatrésze. Ez a kapcsoló stabil, hatékony és testreszabható vezérlést biztosít különféle elektromos áramköri alkalmazásokhoz, integrálva egy zárható funkciót az üzembiztonság fokozása érdekében.


Műszaki paraméterek


1. Sorozat: HZ5 sorozatú kombinált kapcsoló

2. Alkalmazható forgatókönyvek: 50 Hz-es AC áramkörök

3. Névleges üzemi feszültség: Akár 380V AC, 240V DC

4. Névleges áramerősség: Akár 63A (ez a modell: 20A, 4kW)

5. Alkalmazások: Kézi, ritka áramköri kapcsolás, vezérlés és átalakítás


Alapfunkciók


1. Kis teljesítményű váltakozó áramú motorok közvetlen vezérlése

2. A 20A lakat kombinációs forgó bütyökkapcsoló 4kw fő vezérlő- és áramkörmérő eszközként használható.

3. Támogatja a motor fordulatszám szabályozását és az áramkör átalakítását.

4. Zárható biztonsági funkcióval van felszerelve, amely lehetővé teszi a biztonságos és ritka be-/kikapcsolást.


Termékjellemzők


1. 20A kombinált lakat forgó bütykös kapcsoló 4kw Alkalmas 50Hz AC áramkörökhöz, 380V AC/240V DC támogatással, 63A maximális névleges árammal.

2. Lehetővé teszi az áramkör kézi, ritka csatlakoztatását és leválasztását vezérlési alkalmazásokhoz.

3. Közvetlenül meghajthatja a kis kapacitású váltakozó áramú motorokat, fő vezérlési és mérési funkciókkal.

4. Támogatja a teljes testreszabást: a pólusok és a tartományok száma teljesen testreszabható az ügyfél specifikációihoz.


Termék alkalmazása



Műszaki paraméterek



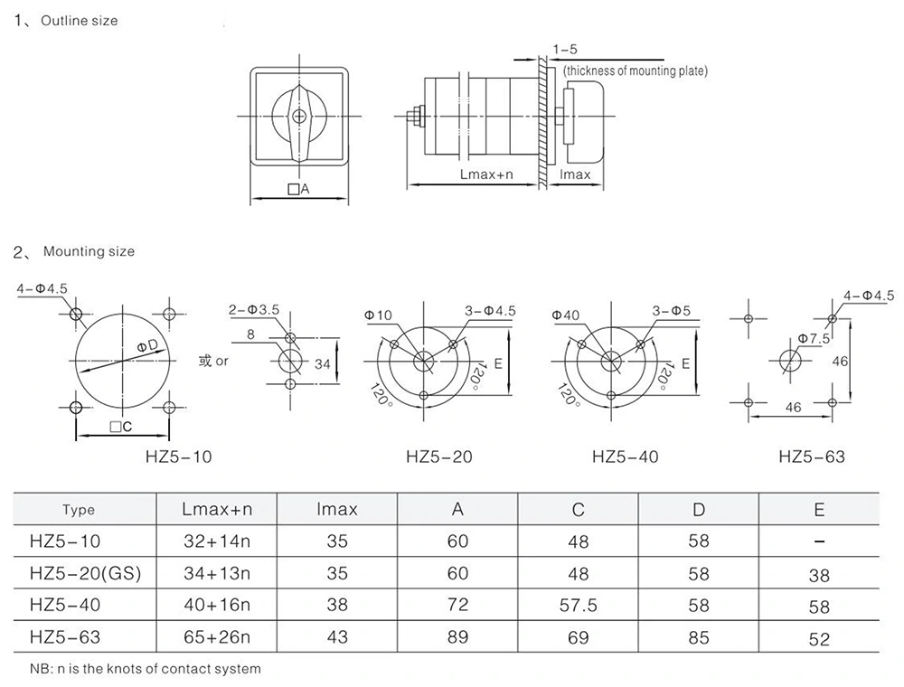
Termékvázlat mérete beépítési méret


Miért válassza a Yamingot?


Megbízható globális beszállítóként a Yaming több évtizedes iparági tapasztalatot, szigorú minőségbiztosítási rendszert és rugalmas gyártási képességeket ötvöz, hogy biztonságos, tartós és alkalmazásspecifikus forgóbütykös kapcsolókat biztosítson vásárlóinak. A 20A-es kombinált, 4 kW-os lakatkapcsolónk stabilitása, biztonsága, sokoldalúsága és testreszabási képességei révén tűnik ki, így ideális ipari vezérléshez és áramelosztáshoz.



Hot Tags: 20A lakat kombinációs forgó bütykös kapcsoló 4kw Kína, gyártó, szállító, gyár
Kérdés küldése
Elérhetőségei
Ha bármilyen kérdése van árajánlattal vagy együttműködéssel kapcsolatban, kérjük, írjon e-mailt vagy használja az alábbi kérdőívet. Értékesítési képviselőnk 24 órán belül felveszi Önnel a kapcsolatot.
X
Cookie-kat használunk, hogy jobb böngészési élményt kínáljunk, elemezzük a webhely forgalmát és személyre szabjuk a tartalmat. Az oldal használatával Ön elfogadja a cookie-k használatát. Adatvédelmi szabályzat
Elutasít Elfogadás