KÖVESS MINKET:

Termékek
20A kombinált forgó bütykös kapcsoló 4kw Shell-el

20A kombinált forgó bütykös kapcsoló 4kw Shell-el

Több mint 30 éves iparági tapasztalattal a Yaming piacra dobta a megbízható, 20A-es kombinált forgóbütyök kapcsolót, 4 kW-os Shell-lel, amelyet stabil és hatékony áramkör-vezérlésre terveztek. A fejlett gyártási folyamatokat és a szigorú minőségbiztosítási rendszert kihasználva ez a HZ5 sorozatú kapcsoló különféle ipari forgatókönyvekhez alkalmas, támogatja a testreszabott konfigurációkat, és megbízható választás a globális vásárlók számára.

A több mint 30 éves iparági tapasztalattal rendelkező Zhejiang Yaming Electric vezető és megbízható beszállító az elektromos kapcsolók területén, erős műszaki képességekkel és szigorú minőségbiztosítási rendszerrel rendelkezik. Kínában gyökerező professzionális gyártóként kifinomult gyártási folyamatokat és fejlett technológiákat integrálunk, hogy nagy teljesítményű vezérlőelemeket hozzunk létre a globális ügyfelek számára. A 20A-es kombinált forgóbütykös kapcsoló 4 kW Shell-lel stabil, hatékony és testreszabott vezérlési megoldásokat kínál különféle áramköri alkalmazásokhoz, kiváló teljesítményt és kiváló alkalmazkodóképességet bizonyítva számos ipari és elektromos forgatókönyvben.


Műszaki előírások


Ez a 20A-es, 4 kW-os kombinált forgóbütykös kapcsoló Shell-lel 50 Hz-es váltakozó áramú rendszerekhez alkalmas. A HZ5 sorozathoz tartozó névleges üzemi feszültsége elérheti a 380V AC és 240V DC, névleges árama pedig a 63A-t. A konkrét modell 20A 4kW védőburkolattal.


Fő alkalmazások


Ez a 20A-es, 4 kW-os kombinált forgóbütykös kapcsoló Shell-lel ideális kézi, alkalmi áramköri kapcsolási műveletekhez, lehetővé téve az áramköri vezérlést és a kapcsolási funkciókat. Közvetlenül kis kapacitású váltakozó áramú motorokat is meghajthat, fő vezérlő- és áramkörmérő eszközként szolgálhat, valamint támogatja a motor fordulatszámának szabályozását.


Termékjellemzők


Ezt a 20A-es, 4 kW-os kombinált forgóbütykös kapcsolót Shell-lel 50 Hz-es váltakozó áramú áramkörökhöz tervezték, és kompatibilis a szabványos ipari áramhálózatokkal. Stabil teljesítményt tart fenn 380 V AC és 240 V DC névleges feszültség mellett, és 63 A névleges áramerősségig. Támogatja a kézi, alkalmankénti áramköri kapcsolást, vezérlést és átalakítást, valamint közvetlenül működtetheti a kis kapacitású AC motorokat, lehetővé téve a fővezérlést, az áramkör mérését és a fordulatszám szabályozását. Átfogó testreszabási megoldások is rendelkezésre állnak, az ügyfelek igényeihez szabott pólusszámokkal és sebességbeállításokkal.


Termék alkalmazása



Műszaki paraméterek



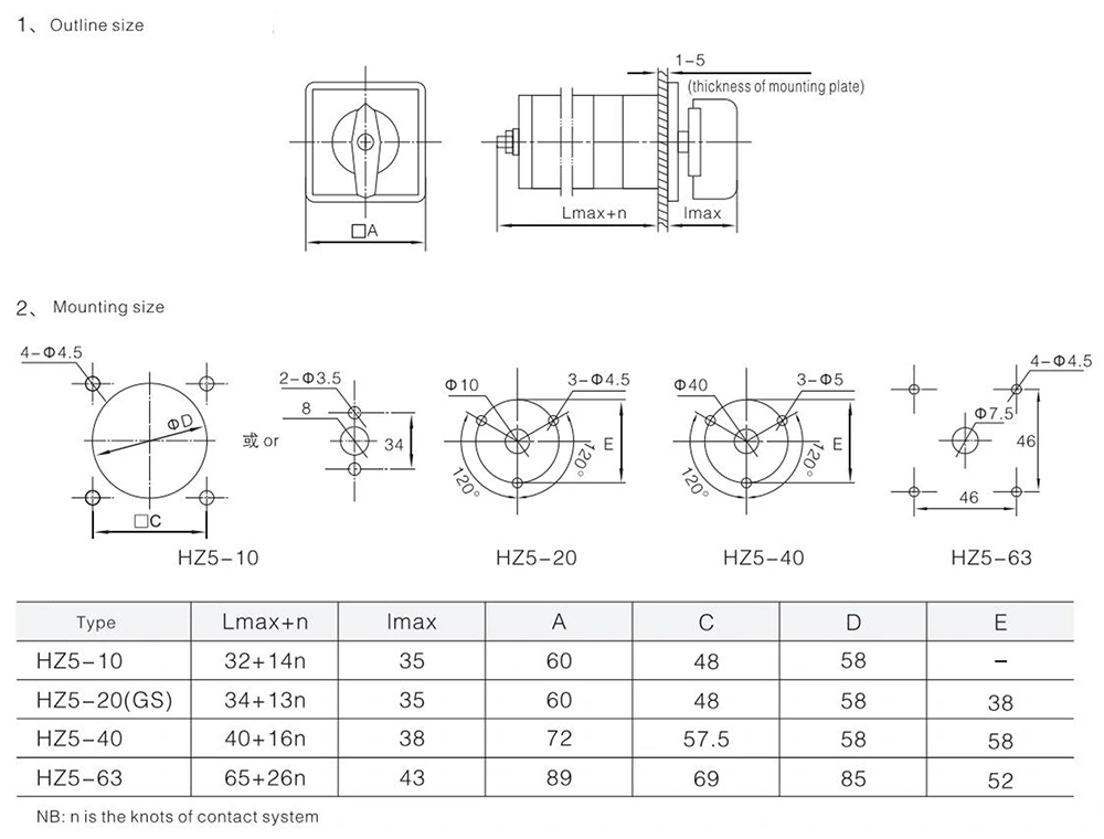
Termékvázlat mérete beépítési méret


Miért válassza a Yamingot?


Megbízható beszállítóként saját gyártólétesítményekkel, a Yaming egyenletes minőséget, pontos szállítást és rugalmas testreszabást biztosít minden megrendeléshez. A 20A-es, 4 kW-os kombinált forgóbütykös kapcsolónk Shell-el a biztonságot, a tartósságot és a sokoldalúságot ötvözi, hogy megfeleljen a modern elektromos rendszerek sokféle igényeinek.


Hot Tags: 20A kombinált forgó bütykös kapcsoló 4kw Shell China-val, gyártó, szállító, gyár
Kérdés küldése
Elérhetőségei
Ha bármilyen kérdése van árajánlattal vagy együttműködéssel kapcsolatban, kérjük, írjon e-mailt vagy használja az alábbi kérdőívet. Értékesítési képviselőnk 24 órán belül felveszi Önnel a kapcsolatot.
X
Cookie-kat használunk, hogy jobb böngészési élményt kínáljunk, elemezzük a webhely forgalmát és személyre szabjuk a tartalmat. Az oldal használatával Ön elfogadja a cookie-k használatát. Adatvédelmi szabályzat
Elutasít Elfogadás