KÖVESS MINKET:

Termékek
20A kombinált forgó bütykös kapcsoló 4kw
  • 20A kombinált forgó bütykös kapcsoló 4kw20A kombinált forgó bütykös kapcsoló 4kw

20A kombinált forgó bütykös kapcsoló 4kw

A több mint 30 éves iparági tapasztalattal rendelkező Yaming piacra dobja a 20A-es, 4 kW-os kombinált forgóbütykös kapcsolót, amely stabil, hatékony és testreszabható vezérlési megoldásokat kínál különféle áramkörökhöz. Kínában gyökerező professzionális gyártóként erős műszaki képességeinkre és szigorú minőségirányítási rendszerünkre támaszkodunk, fejlett gyártólétesítményeinktől kezdve, hogy megbízható kapcsolótermékeket biztosítsunk az ipari vásárlóknak világszerte, megbízható beszállítóvá válva.

A Zhejiang Yaming Electric több mint 30 éves szakmai tapasztalattal rendelkezik az elektromos iparban. Erős műszaki képességeivel és szigorú minőségirányítási rendszerével az elektromos kapcsolók megbízható és vezető szállítójává vált. Szilárd vállalati alapunk stabil termékteljesítményt és megbízható ellátási garanciákat biztosít globális partnereink számára.


A kifinomult gyártási folyamatokat és a fejlett technológiát integrálva a Yaming büszkén dobja piacra a 20A-es, 4 kW-os kombinált forgóbütykös kapcsolót. Ez az aprólékosan megtervezett termék a tartósságot és a működési rugalmasságot ötvözi, így stabil, hatékony és testreszabott vezérlési megoldásokat kínál különféle áramköri alkalmazásokhoz.


Műszaki előírások


A 20A-es kombinált forgóbütyök kapcsoló 4kW a HZ5 kombinált kapcsolók sorozatába tartozik. Fő műszaki jellemzői a következők: Alkalmazható áramkörök: AC 50Hz; névleges üzemi feszültség: AC maximum 380V, DC maximum 240V; névleges áram: maximum 63A; névleges teljesítmény: 4 kW; Ennek a modellnek a névleges árama 20A.


Fő alkalmazások


A 20A-es 4kW-os kombinált forgóbütykös kapcsoló kézi, ritka áramköri kapcsolásra és vezérlésre alkalmas. A tipikus alkalmazások közé tartozik a kis teljesítményű váltóáramú motorok közvetlen vezérlése, a fő vezérlő- és áramkör-mérőeszközként való használat, a motor fordulatszámának szabályozása, valamint az általános áramköri kapcsolás és átalakítás különféle elektromos berendezésekben.


Termékjellemzők


A 20A-es, 4 kW-os kombinált forgóbütykös kapcsoló stabil teljesítményt és sokféle alkalmazást kínál, különféle ipari és kereskedelmi forgatókönyvekhez. Kompatibilis a világszerte elismert feszültség- és áramszabványokkal, megkönnyítve a globális felhasználást. Támogatja a kézi, ritka áramköri csatlakoztatást és leválasztást, lehetővé téve a kis kapacitású váltakozó áramú motorok közvetlen vezérlését és a többfunkciós vezérlést. Testreszabási szolgáltatások is elérhetők, a kapcsolók hatótávolsága és pólusszáma teljes mértékben testreszabott az ügyfelek egyedi igényeinek megfelelően.


Termék alkalmazása



Műszaki paraméterek



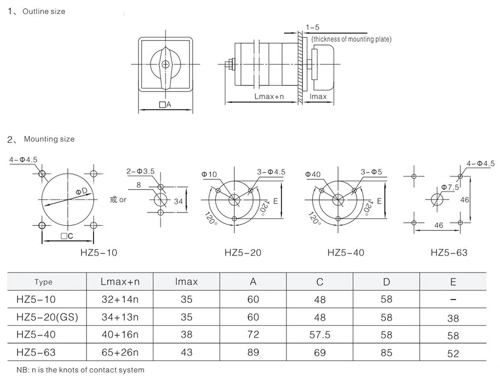
Termékvázlat mérete beépítési méret


Hot Tags: 20A kombinált forgó bütykös kapcsoló 4kw Kína, gyártó, szállító, gyár
Kérdés küldése
Elérhetőségei
Ha bármilyen kérdése van árajánlattal vagy együttműködéssel kapcsolatban, kérjük, írjon e-mailt vagy használja az alábbi kérdőívet. Értékesítési képviselőnk 24 órán belül felveszi Önnel a kapcsolatot.
X
Cookie-kat használunk, hogy jobb böngészési élményt kínáljunk, elemezzük a webhely forgalmát és személyre szabjuk a tartalmat. Az oldal használatával Ön elfogadja a cookie-k használatát. Adatvédelmi szabályzat
Elutasít Elfogadás